SB7-1000 电机综合保护器
![]()
电机保护器对电机的三相电流、线电压进行测量,经逻辑判断以减少电机运行的电器故障,它可以检测和控制电机的运行状况,并且可以防止电机因不正常运行引起的损坏。
详细说明
1.介绍
电机保护器对电机的三相电流、线电压进行测量,经逻辑判断它可以检测和控制电机的运行状况,并且可以防止电机因不正常运行引起的损坏。保护器可以对运行的电机实现过载、欠载、三相电流不平衡、过压、欠压、堵转、单相运行等的保护。
电机保护器与控制柜配套完成控制和保护各种类型高、低压电机、潜油(水)电机,具有紧急远控消防、星/角转换、自耦降压、串电抗启动功能。发生故障后,自动记录三相电流、电压,4个参数100点,点间隔100mS的数据,经MODBUS通讯协议,SB7-1000与远程监控软件可以构成无线电台、GPRS、CDMA、短信报警远程监控系统。
2、性能
保护器可以对电机下列负载问题进行保护:
2.1、电机运行过程中,若发生故障则发出警示:故障指示灯1秒等间隔时间闪烁,显示对应的故障现象代码。
2.2、过载、欠载、过压、欠压。当故障现象发生时,故障延时的时间随着过载倍数的增加按反时限减少。
2.3、自动启动延时时间。智能化地随着启动次数的增加而延长自动延时启动的时间。
2.4、电流不平衡。对供电电压不平衡、电机绕组绝缘下降、缺相等导致的电流不平衡进行保护。
2.5、潜油(水)电机在工作中,为避免相邻的两次启动间隔时间过短,防止水锤效应,智能化地随着启动次数的增加而延长等待允许启动计时器的时间。
2.6、星/角转换、自耦降压、串电抗启动失败停机保护。
3、保护器外形尺寸:219×191x110 mm。
4、消耗功率:80~240 伏,4VA、50Hz/60Hz。
5、电流互感器二次测电流负荷:AC 0~5A(10倍冲击)。
6、工作环境温度:- 20℃ ~50℃。
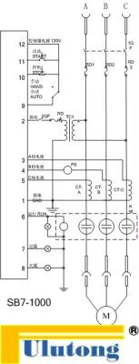
7、接线图


更多...最新评论
快速评论